相关推荐资讯
在国家全面推进质量强国建设、加快消费品标准升级的背景下,陶瓷砖行业迎来历史性变革。2025年9月,国家标准化管理委员会正式发布GB/T 45817-2025《消费品质量分级 陶瓷砖》国家标准,并明确该标准将于 2025年12月1日起正式实施。


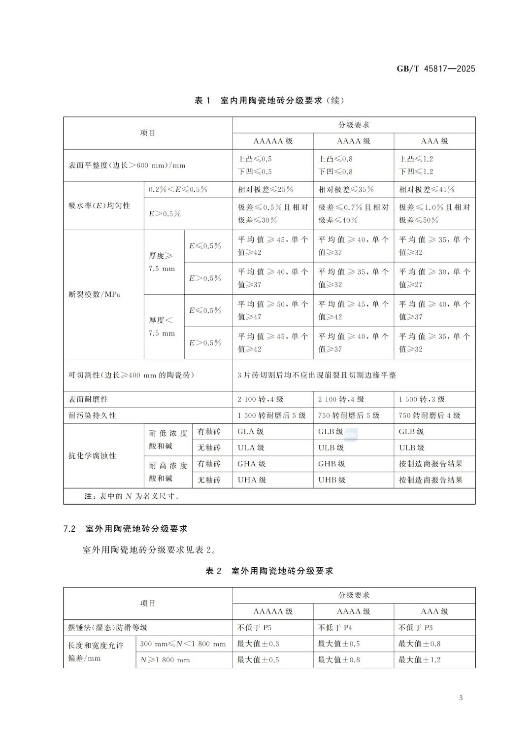
这是我国首次在陶瓷砖领域建立 3A、4A、5A三级质量分级体系,终结长期以来“优等品”模糊不清的行业乱象,推动建陶产业从“合格导向”迈向“品质分级”新阶段。
在这场关乎行业未来的品质革命中,大将军瓷砖作为中国建陶领军品牌,已率先通过国家5A最高等级质量认证,成为首批获得官方权威背书的标杆企业!

△大将军瓷砖通过新国标5A标准检测

真正的5A
需经得起科学检验
在近期的媒体采访中,将军陶瓷集团瓷砖事业部总经理刘小磊强调:“5A不是营销标签,而是对用户长期使用体验的郑重承诺。”
需要明确的是,GB/T 45817-2025《消费品质量分级 陶瓷砖》是一项推荐性国家标准,并非强制执行。正因如此,主动对标并获得5A认证,更体现企业的品质自觉与责任担当。该标准首次构建了一套可量化、可验证、可横向比较的质量分级体系。要真正获得“5A”评级,产品必须在五大核心指标上全部达到最优等级,且由具备CNAS资质的国家级检测机构出具正式检测报告。

▲GB/T 45817-2025《消费品质量分级 陶瓷砖》
这意味着,市面上任何仅凭宣传自称“5A”的产品,若无权威检测报告背书,本质上只是概念包装。而大将军瓷砖的5A认证,是经国家认可实验室实测验证的硬核实力,是对“耐用”承诺最扎实的兑现。

22年品质坚守
铸就5A硬核支撑
大将军瓷砖之所以能成为首批通过国家5A陶瓷砖质量认证的标杆企业,绝非偶然——这背后是22年如一日对品质的执着坚守,更是对“标准即底线、品质即承诺”这一理念的深度践行。
>>>
智能工厂:硬核制造能力支撑高标准

自创立以来,大将军瓷砖始终坚持品质为基,重磅引进世界一流先进生产设备,宽体窑炉、万吨大压机、西斯特姆高清打印喷墨机、5层快速干燥设备、全自动砖坯储存系统和打包线等高端装备,依托顶尖的科技硬件,以智能化、数学化、精密化制造实力为核心支撑,深度赋能生产链条革新,打造兼具技术壁垒与效率优势的新质生产力。

正如品牌所坚持的“专注耐科技,做耐用瓷砖”理念,这些先进制造能力并非仅为提升效率,更是为践行对用户的长期承诺:让每一片出厂的瓷砖,都经得起时间与标准的双重检验,为新国标5A的真正落地提供坚实支撑。
>>>
耐用体系:从卖材料到交付解决方案
今年4月,大将军瓷砖正式启动品牌战略全面升级,确立 “专注耐科技,做耐用瓷砖” 的全新定位,并创新提出 “耐看、耐脏、耐磨”耐用价值体系——这不仅是对产品性能的重新定义,更是对当代人居需求的深度回应。

为系统性解决用户在真实生活场景中面临的审美疲劳、清洁困扰与磨损焦虑,大将军同步成立 “耐用科技研发中心”,将研发重心从“花色设计”转向“全周期使用体验”,真正实现从“卖一片砖”到“交付一套经得起时间考验的生活方案”的战略跃迁。

>>>
高级哑发布:5A标准下功能美学典范
10月重磅发布的 【高级哑】系列新品,不仅全面满足国家5A级陶瓷砖在强度、防滑、抗污等方面的严苛要求,更在美学维度实现突破性创新:融合金丝绒釉、复刻釉、超细干粒三大核心工艺;独创8°、18°、38°三级光感调控系统,于毫厘之间精研质感,在光影流转中驾驭空间情绪;实现纹理更细腻、触感更温润、视觉更具层次的沉浸式体验,让瓷砖不再是冰冷的建材,而是承载生活温度与品位的载体。

正如刘小磊总经理所言:“用户要的不是一个材料,而是一个家。5A的意义,是帮他们做‘不后悔’的长期决策。”【高级哑】系列,正是对这一诉求的精准回应,真正达成 “高颜值”与“高性能”的完美融合,重新定义高级空间的质感边界。

>>>
权威认可:品牌实力获多方背书
多年来,大将军瓷砖以扎实的技术积累、持续的创新投入和对品质的极致追求,先后斩获“全球陶瓷企业30强”“中国国检检验标识授权证书”“2024年中国轻工陶瓷行业数字化转型先进企业”“年度家居领军品牌”“科技成果创新领先品牌”等荣誉,这些殊荣不仅是品牌发展的高光印记,更是业内外对大将军实力与价值的高度肯定。
与此同时,大将军已通过多项国际权威产品认证,累计获得近200项国家专利,持续夯实5A品质的技术根基。从标准践行到技术突破,从智能工厂到用户口碑,大将军瓷砖正以系统化、可持续的硬核实力,筑牢中国建陶高质量发展的品牌基石。
新国标5A的实施,不是制造焦虑,而是重建信任;不是设置门槛,而是照亮方向。它让“好瓷砖”有了清晰的标准,也让那些沉下心来打磨产品、坚守长期主义的品牌,终被看见、被认可、被选择。大将军瓷砖始终相信:真正的品质,经得起时间检验,也配得上用户托付。
继续阅读与本文标签相同的文章: